Jox Geschrieben 18. Februar 2015 Geschrieben 18. Februar 2015 Guten Tag Mein Freund hat sich ein bally Star treck flipper gekauft nun habe ich ein paar Fragen an euch.. und hoffe das ihr mir weiter helfen könnt 1.An dem flipper geht alles ..Licht..tön..USW.. Es funktioniert aber irgendwie keine einzige Spule .. 2.der flipper hat schon einige Anspielungen auf der Fläche wie würdet ihr in Möglist günstig versiegeln??? Vielleicht ab schleifen und dann Carnaubawachs??? 3.gibt es im Internet irgendwo eine deutsche Anleitung für das Gerät ? Ich finde keine Wäre nett wen ihr helfen könntet
Volley Geschrieben 19. Februar 2015 Geschrieben 19. Februar 2015 Welcher Star Trek? Der 78er mit Captain Kirk auf dem Backglas oder die DMD Maschine mit Picard? Beim 78 wird es die Sicherung unter dem Spielfeld sein (Nähe Flipperfinger, 1A). Wobei ich mal davon ausgehe das alle Stecker an den Platinen gesteckt sind. zu2: Hast Du Bilder damit wir wissen von was für Abspielungen/Schäden wir reden?? Nach dem Wachsen wird es schwierig mit eventuellem ausbessern. Farbe hält nicht so gut auf Wachs. zu3: Meinst Du das Handbuch oder die Scorecards/Spielanleitung?
lash Geschrieben 19. Februar 2015 Geschrieben 19. Februar 2015 Hallo Frank, Bally hat nur einen Star Treck raus gebracht, ergo der alte.
Jox Geschrieben 19. Februar 2015 Autor Geschrieben 19. Februar 2015 Danke für die schnelle Antwort Hier erstmal die Bilder vom Spielfeld ..hoffe ihr habt tipps Star Trek Foto 2 Foto 3 Foto 4
Volley Geschrieben 19. Februar 2015 Geschrieben 19. Februar 2015 Hast Du jemanden an der Hand der Airbrushen kann? Falls ja würde ich den NICHT wachsen weil man das noch gut ausbessern kann. Falls du niemanden hast der airbrushen kann könntest Du es auch mit dem Pinselchen versuchen. In beiden Fällen dann nur gut reinigen und nach dem ausbessern klarlacken. Hast Du beides nicht vor und willst den Flipper nur etwas spielen und dann wieder abgeben würde ich ihn auch reinigen. Ob anschließend wachsen ist eine Glaubenmsfrage. Ich hab von meinen Flippern noch keinen gewachst. Haste die Sicherung gefunden?
Stronzo Geschrieben 19. Februar 2015 Geschrieben 19. Februar 2015 Naja, ich würde dir bzw. deinem Kumpel empfehlen, das Ding erstmal eine Weile zu spielen, bevor ich mir Gedanken über den optischen Zustand machen würde. Zumal auf dem PF ja auch schon nicht ganz optimal mit unbekannten Mitteln rumgemalt wurde. Diese Farbe löst sich eventuell beim Lackieren an oder auf und verschmotzt das PF, vermischt sich mit Lack und so weiter. Also vorher runter damit. Wenn Du das aber ernsthaft angehen willst, sei auf meine Erfahrung mit gleicher Kiste verwiesen. Zuvor hatte ich jedoch schon viele andere Playfields bearbeitet und neben Erfahrung auch entsprechendes Equipment angehäuft. Und so eine Aktion würde ich definitiv nicht mehr machen. Kannst ja mal hier kucken. Grüße Andy
Jox Geschrieben 19. Februar 2015 Autor Geschrieben 19. Februar 2015 Ne leider habe ich kein Air brusher an der Hand Habe im Internet gesehen das das viele mit 2 k Klarlack machen und dann pinseln...das Meinst du doch auch oder ??? Und die Schleifen das auch vorher mit nassschleifpapier an 2000 Körnung !!! Dann gehen angeblich die feinen Risse weg??? Hast du damit Erfahrung ??? Funktioniert das??? Du hast keinen deiner flipper gewachst dachte das wäre normal Zur Pflege und so..mmhh interessant ..wieder was gelernt Ja ich habe die Sicherung gefunden und ausgetauscht..muss aber jetzt erstmal Warten das eine neue spule für den flipperarm ankommt ..und einbauen !!! Aber die Linke funktioniert jetzt ..danke Und mit der Anleitung meint ich das ganz normale deutsche Handbuch
Jox Geschrieben 19. Februar 2015 Autor Geschrieben 19. Februar 2015 Bboohh..stronzo der sah aber echt Übel aus dagegen ist der von mir und meinem Kumpel ja schon fast ein Diamant Soviel Arbeit wollte ich mir wirklich nicht machen!!!
Jox Geschrieben 19. Februar 2015 Autor Geschrieben 19. Februar 2015 Aber am Ende sieht er wirklich top aus Super Arbeit
Volley Geschrieben 19. Februar 2015 Geschrieben 19. Februar 2015 Und die Schleifen das auch vorher mit nassschleifpapier an 2000 Körnung !!! Dann gehen angeblich die feinen Risse weg??? Hast du damit Erfahrung ??? Funktioniert das??? Mit etwas Übung ja. Kannst auch den Schmutzradierer nehmen (Supermarkt, Reinigungsartikel). Egal was du nimmst, sei vorsichtig. Die Farbe ist ganz schnell ganz weg. Ganz wirst du die Spuren des Alters (Krähenfüße bzw feine Risse) eh nicht wegbekommen. Die Maschinen sind ja über 40 Jahre alt und werden nicht mehr neu. Etwas Patina dürften sie eigendlich haben. Das ist wie mit den Frauen, ab einem gewissen Alter hilft auch der Schminkespachtel nicht mehr... Zumal auf dem PF ja auch schon nicht ganz optimal mit unbekannten Mitteln rumgemalt wurde. Diese Farbe löst sich eventuell beim Lackieren an oder auf und verschmotzt das PF, vermischt sich mit Lack und so weiter. Also vorher runter damit. Da hat er Recht!
Jox Geschrieben 19. Februar 2015 Autor Geschrieben 19. Februar 2015 Ja stimmt eigentlich Ich habe jetzt einige Stellen mit Nagellack ausgebessert..meine Frau Hatte doch zufällig genau das selbe Blau in der Schublade liegen ... Jetzt gehört es mir Und gerade noch durchsichtigen Nagellack gekauft um in über die porösen Stellen Zu machen..geht echt gut und man sieht nix Erstmal vielen Dank für eure Hilfe Ich nerve euch wieder bei meinen nächsten Problemen
lash Geschrieben 19. Februar 2015 Geschrieben 19. Februar 2015 Offtopic. Ich denke mal nun wird Volley staunen, da er bisher immer dachte dass Du weiblich bist.
Volley Geschrieben 20. Februar 2015 Geschrieben 20. Februar 2015 Ein richtiger Mann geht in die Farbenabteilung eines Baumarktes oder in ein Modellbaufachgeschäft und nicht an den Schminkekoffer einer Frau! Die Farbe hält ja nicht mal an der Frau. So was würde ein Mann NIE auf den Flipper schmieren...
Jox Geschrieben 20. Februar 2015 Autor Geschrieben 20. Februar 2015 Hält aber gut der Lack ..und ist die selbe Farbe ....
Jox Geschrieben 20. Februar 2015 Autor Geschrieben 20. Februar 2015 Wieder mal eine dumme Frage von mir Wo kommen die Kabel hin ..??? Spule Bild 2
Volley Geschrieben 20. Februar 2015 Geschrieben 20. Februar 2015 Ist in deinem Bild nicht gut zu erkennen. Kommen die von der Sicherung (zumindest eines) und haben sie die selbe Farbe?
Jox Geschrieben 20. Februar 2015 Autor Geschrieben 20. Februar 2015 Ja ein braunes kommt von der Sicherung ..
Jox Geschrieben 20. Februar 2015 Autor Geschrieben 20. Februar 2015 Und das andere braune und das orangene kommt vom kabelbaum..
Volley Geschrieben 20. Februar 2015 Geschrieben 20. Februar 2015 Die beiden braunen gehören zusammengelötet an den (auf deinem Foto) rechten Anschluss der Flipperspule. Wo ist denn da ein loses oranges Kabel auf dem Bild?
Jox Geschrieben 20. Februar 2015 Autor Geschrieben 20. Februar 2015 Weiß nicht ob das orangene dahin gehört..glaube aber schon oder ???
Volley Geschrieben 20. Februar 2015 Geschrieben 20. Februar 2015 Meinst Du das orangene am linken Anschluss der Flipperspule?
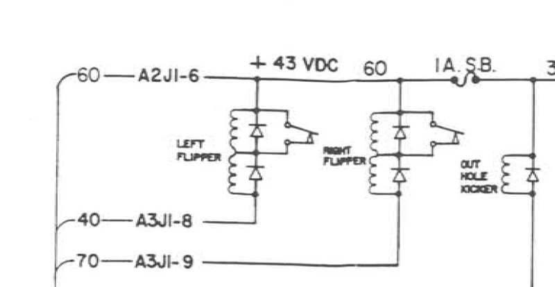
Volley Geschrieben 20. Februar 2015 Geschrieben 20. Februar 2015 Anbei das Anschlussbild! Das braune Kabel kommt außen an den Anschluss wo die Diode den Ring hat. Das Orangene an den anderen äußeren Anschluss (Diode hat an der Seite keinen Ring). Die beiden braunen musste vorher zusammenrödeln (Spannung wird weitergeleitet!). Die beiden Kabel vom Schalter am Flipperfinger gehen auf den mittleren Anschluß und den mit den braunen Kabeln! (60=> BRAUN, 70=> ORANGE, 40=> GRÜN)
Jox Geschrieben 20. Februar 2015 Autor Geschrieben 20. Februar 2015 Habe es auch schon so angeschlossen..alle spülen funktionieren dann!!! Aber wenn ich auf den flipperfinger Knopf Drücke brennt die Sicherung durch
Empfohlene Beiträge
Erstelle ein Benutzerkonto oder melde Dich an, um zu kommentieren
Du musst ein Benutzerkonto haben, um einen Kommentar verfassen zu können
Benutzerkonto erstellen
Neues Benutzerkonto für unsere Community erstellen. Es ist einfach!
Neues Benutzerkonto erstellenAnmelden
Du hast bereits ein Benutzerkonto? Melde Dich hier an.
Jetzt anmelden