Zum Inhalt springen

Empfohlene Beiträge

Geschrieben

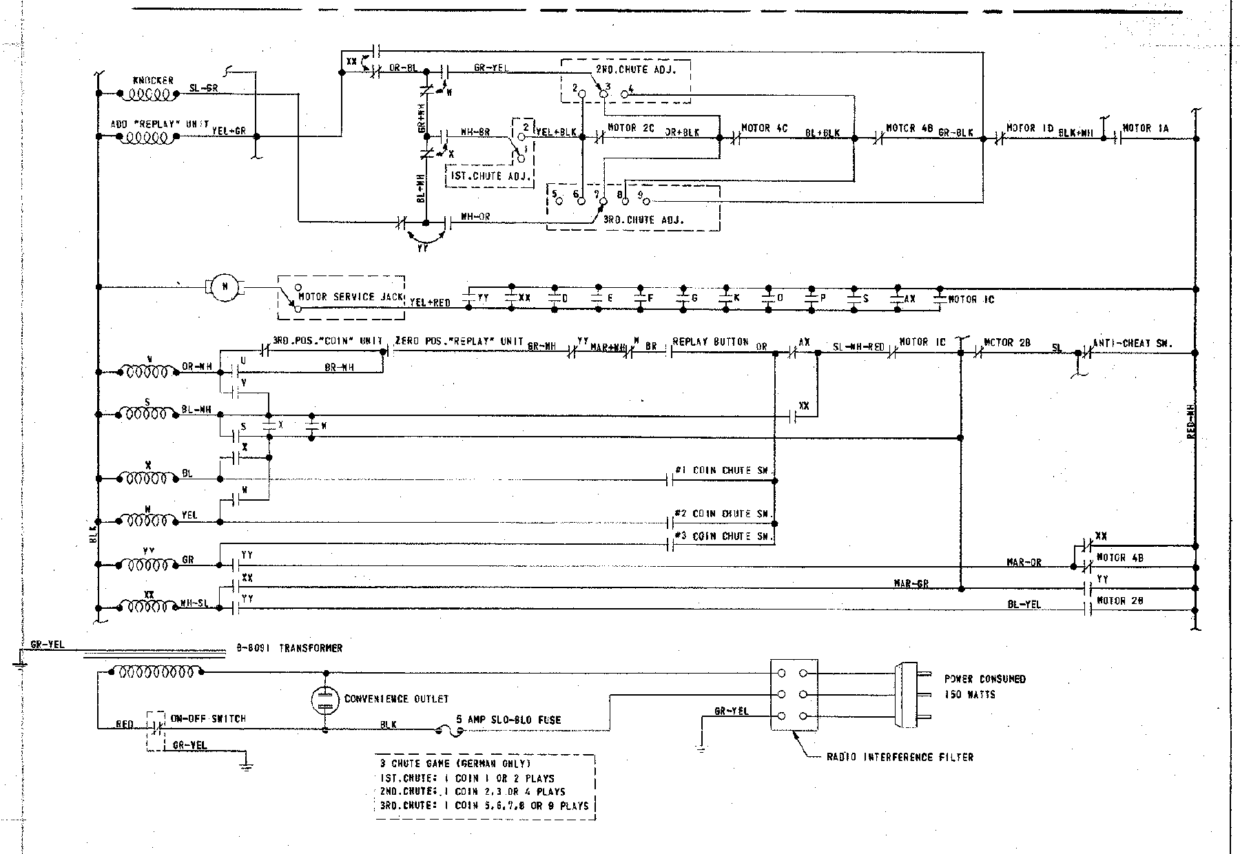
Das Problem; beim 2DM Einwurf werden die Kredite gegeben aber beim 1DM Einwurf nicht. Scorerad dreht aber und beim betätigen des Switch in der Kassentür. wo soll ich suchen da bei den Schaltplänen radiert wurde und nicht alles lesbar ist.

Geschrieben

Ja genau Das ist es, so kann ich arbeiten. Super vielen Dank

Erstelle ein Benutzerkonto oder melde Dich an, um zu kommentieren

Du musst ein Benutzerkonto haben, um einen Kommentar verfassen zu können

Benutzerkonto erstellen

Neues Benutzerkonto für unsere Community erstellen. Es ist einfach!

Neues Benutzerkonto erstellen

Anmelden

Du hast bereits ein Benutzerkonto? Melde Dich hier an.

Jetzt anmelden
×
×
  • Neu erstellen...

Wichtige Information

Datenschutzerklärung und Registrierungsbedingungen