Carbonteufel Geschrieben 17. August 2015 Geschrieben 17. August 2015 @ Forum: Ich habe einem Kunden für seinen Williams Aztec einen Standard-Schlagring A-4754 geschickt, der sich als zu lang erwiesen hat. Die Länge der Gewindestangen ist, von der Ringunterseite gemessen, 81 mm. Beim Original müsste sie aber eine Gesamtlänge vom Grundboden aus von 75,7 mm haben und das Gewinde 9,5mm von dieser Länge betragen. Damit ist er 6 mm zu lang! Da mir leider keine Teilenummer des EM-Bumperrings vorliegt - hat jemand eine Idee, wo es diese kürzeren Schlagringe gibt? Weiterhin wird eine Spule Williams DU 23-740 (klingt nach Zählwerksspule) für den Aztec benötigt. Außer bei Marco habe ich sie bei flippern.at gesehen, bei beiden ist sie aber prompt nicht lieferbar. Kennt jemand, außer sie bei Veith wickeln zu lassen, noch eine andere Bezugsquelle? LG Stefan
Volley Geschrieben 17. August 2015 Geschrieben 17. August 2015 Laut Unterlagen ist im Aztec keine DU 23-740 eingebaut. Optisch sieht sie aus wie eine Schlagturmspule. Da wäre normal eine G 23-750 drin. Frag den Kunden mal wo er die Spule einbauen will. Zu den Schlagturmringen: Neu dürfte schwer werden, höchstens gebraucht. Alternativ kürzen (lassen) oder den ganzen Halter mit tauschen. Denke mal der ist auch länger...
Carbonteufel Geschrieben 17. August 2015 Autor Geschrieben 17. August 2015 (bearbeitet) Hallo Frank, vielen Dank für die Info. Jetzt weiß ich auch, warum der Schlagring nicht passt, obwohl er nach meinen Recherchen schon seit 1969 verwendet wurde: Der Flipper ist ein 1963er Williams El Toro , es liegt eine Verwechselung vor. Die Spule ist so richtig, sie ist in den Zählwerken verbaut, daher auch "DU" (Drum unit). LG Stefan Bearbeitet 17. August 2015 von Carbonteufel
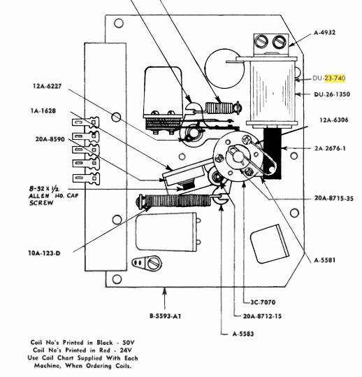
Volley Geschrieben 18. August 2015 Geschrieben 18. August 2015 A-4754 ist auch im 1960er und 1962er Parts Catalog die Nummer des Schlagringes! Evt hat Williams auch die Specs geändert. Das sollte aber schon längst aufgefallen sein... Die DU 23-740 ist keine kleine Zählwerksspulesondern etwas größeres. Siehe hier aus dem Williams Catalog von 1962:
Carbonteufel Geschrieben 19. August 2015 Autor Geschrieben 19. August 2015 Wiederum danke, wir kommen der Sache näher. Zwischenmeldung: Es gab definitiv etwas kürzere Schlagringe. Sie wurden bei den Bumpern mit den "rosenförmigen" Kappen verwendet. Es ist mir gelungen, an 12 Stück dieser 76 (statt 81) mm langen Teile als NOS-Ware zu kommen. Das Spulenproblem ist noch nicht gelöst. Ich müsste mir einfach mal einen Altbau-Williams-EM ansehen können... LG Stefan
Volley Geschrieben 20. August 2015 Geschrieben 20. August 2015 Hat Jörg nicht einen Casanova in den Halle rumstehen? Der wäre von 1966...
Carbonteufel Geschrieben 20. August 2015 Autor Geschrieben 20. August 2015 Bin mir nicht sicher, werde aber beim nächsten Besuch bei ihm mal darauf achten und die Kamera mitnehmen. So hat man den Vergleich Old-EM gegen EE, denn wie Du schon schriebst, ist die Teilenummer seit mindestens 60 Jahren unverändert. Im Aztec oder Grand Prix hätte der 81 mm-Ring definitiv gepasst, weil ich in letzterem in Eurer alten Halle an einem Kundengerät einen Bumper neu aufgebaut hatte. LG Stefan
Empfohlene Beiträge
Erstelle ein Benutzerkonto oder melde Dich an, um zu kommentieren
Du musst ein Benutzerkonto haben, um einen Kommentar verfassen zu können
Benutzerkonto erstellen
Neues Benutzerkonto für unsere Community erstellen. Es ist einfach!
Neues Benutzerkonto erstellenAnmelden
Du hast bereits ein Benutzerkonto? Melde Dich hier an.
Jetzt anmelden