Capt. Fantastic Geschrieben 19. August 2015 Geschrieben 19. August 2015 Hallo, In unserem Saturn 2 haben wir jetzt wieder Leben bekommen. Nun habe ich ein Problem mit der Switch Matrix. Die Schalter werden nicht richtig erkannt. An Stecker A4J2 Kontakt 3 ist mit 8 Switchen belegt. 4 Drop Targets und 4 normale Targetziele. Die gehen dann aufA4J2 Kontakt 8 bis 15. Es werden mir im Modus Schaltertest, bei betätigen der einzelnen kontakte, mehrmals dieselben Schalternummer angezeigt. Kabel, Dioden, Kondensatoren in Ordnung. Was kann das sein. Danke Uwe
Drugi Geschrieben 19. August 2015 Geschrieben 19. August 2015 Wenn die MPU einen Laugenschaden hatte könnte es daran liegen. Um das näher einzugrenzen kannst du folgendes machen. Stecker J3 abziehen, damit schließt du Fehler von der Kassentür und Cabinet aus. Nun Kontakte prüfen. Fehler noch immer da?! Stecker J2 abziehen und eine direkte Brücke von Pin 3 nach 8,9,10. usw. machen. Nun sollte immer nur ein Kontakt angezeigt werden. Werden mehrere angezeigt liegt der Fehler am Board. Drugi
Capt. Fantastic Geschrieben 19. August 2015 Autor Geschrieben 19. August 2015 Danke für die schnelle Antwort. Fehler liegt am Board. Säureschaden hat es nicht. Mit aufgesteckten J2 spimmt er total. Geht von selbst ins Spiel, Game over bei Bumper auslösung usw. Pin3 nach pin 9 gibt 17 Pin3 nach pin 8 auch. was kann man tuen?
Volley Geschrieben 19. August 2015 Geschrieben 19. August 2015 Tausch mal die beiden PIAs untereinander. (Der lange Chip in der Mitte und der lange untere Chip, beides 6820 oder 6821). Wenn dann Spulen oder Lampen spinnen ist die PIA hin!
Capt. Fantastic Geschrieben 19. August 2015 Autor Geschrieben 19. August 2015 Getauscht. Jetzt ist noch schlimmer. pin3 nach pin15, 14, 13, 12 gibt Anzeige 51 und der Rest gibt Anzeige 17. Start Knopf läßt jetzt das Outhole auswerfen. Spulentest und Lampentest einwandfrei. Also beide neu?
Drugi Geschrieben 19. August 2015 Geschrieben 19. August 2015 Schwer zu sagen, da der Fehler nicht weg ist. Wenn beide PIAs defekt wären, würden bei U10 nicht nur die Schalter sondern auch die Lampen falsch angesteuert. Wenn jetzt getauscht wurde müssten die Spulen und Displays Fehler machen. Was ja wohl nicht der Fall ist. Der Selbsttest sollte wenigstens ein PIA als defekt erkennen. Aber neue ist ja nicht verkehrt. Drugi
Capt. Fantastic Geschrieben 19. August 2015 Autor Geschrieben 19. August 2015 Nochmal getauscht. schlimmerer zustand bleibt bestehen. werde erst mal beide tauschen. danke erstmal.
Volley Geschrieben 19. August 2015 Geschrieben 19. August 2015 Piep auch mal die beiden Sockel durch. Je nach Modell gibt es da auch schon mal Probleme!
Capt. Fantastic Geschrieben 20. August 2015 Autor Geschrieben 20. August 2015 Sockel wäre jetzt auch meine Tip. Da der Fehler sich beim wechsel verändert hat. Ich piep die mal durch und bestelle vorsichtshalber neue. danke
Capt. Fantastic Geschrieben 20. August 2015 Autor Geschrieben 20. August 2015 (bearbeitet) Bearbeitet 20. August 2015 von Capt. Fantastic
Capt. Fantastic Geschrieben 10. September 2015 Autor Geschrieben 10. September 2015 So mal ein Update. War nichts zu machen und eigentlich unerklärlich. Der Gerät funktioniert jetzt mit einer anderen mpu. Jetzt haben wir noch einen letzten Fehler. Aux Driver Board funktioniert nicht richtig. Manche Lampen werden dauernd ein angesteuert und andere wiederum gar nicht. ICs sind gewechselt und Transistoren alle OK. Der Aux Driver ist vor dem Lamp Driver geschaltet auf dem alles funktioniert. Hat jemand schon mal sowas gehabt und eine Ahnung woran das liegen könnte? Für das Sauding habe ich ja noch immer keinen Schaltplan. Also wenn jemand noch sowas hat...... Gruß Uwe
Volley Geschrieben 10. September 2015 Geschrieben 10. September 2015 Schaltplan ist ja identisch mit dem Spy Hunter von Bally. Klingel mal die Kabel durch (Liste unten). A4 ist die MPU, A5 ist der Lampdriver. Bitte zu beiden Anschlüssen/Enden durchklingeln. Wenn alles OK von en Crimpen (an MPU oder Lampdriver) bis zum ersten Bauteil auf dem Aux Treiber durchklingeln. Wenn da auch alles OK ist sind die Stecker schon mal außen vor. Ich denke aber das Du da fündig wirst.
Capt. Fantastic Geschrieben 11. September 2015 Autor Geschrieben 11. September 2015 Danke für die schnelle Antwort.. Was mich stutzig macht, ist das bei Bell der aux driver durchgeschliffen ist. bedeutet stecker von A4 (mpu) geht auf en aux driver und an dem ist ein kabel angelötet welches dann mit stecker direkt auf A5 Lampdriver geht. Und der funktioniert mit allen anges hlossenen leuchten einwandfrei. wenn da was mit nicht stimmt, müsste der doch auch spinnen...oder Grüße Uwe
Volley Geschrieben 11. September 2015 Geschrieben 11. September 2015 Doch das ist OK so. Die Signal und Adressleitungen sind gleich, nur das Select Signal ist anders. Genau so ist es z.B. auch an den Displays wo bis auf 1 Leitung auch alle anderen Leitungen durchgeschliffen sind.
Capt. Fantastic Geschrieben 12. September 2015 Autor Geschrieben 12. September 2015 Alles durchgeklingelt und alles in Ordnung. Habe aber was anderes entdeckt. Im aux driver sind zwei HEF4555BP verbaut. Laut Onkel Bally soll da aber zwei MC14555BCP verbaut sein. Aussedem noch ein CD4013BE. Laut Bally ein MC4013 oder TC4013BP Kann es daran liegen oder sind die Baugleich. Vermurkste Kiste. Aber das ist der letzte Fehler. Schon mal wieder tiefsten Dank.
Volley Geschrieben 12. September 2015 Geschrieben 12. September 2015 Das ist alles das selbe. Ich schau heute Abend mal in die Pläne. Alle über den Aux angesteuerten Lampen sind dauerhaft an? Alle über den großen Lampdriver angedtruerten Lampen funktionien einwandfrei?
Capt. Fantastic Geschrieben 12. September 2015 Autor Geschrieben 12. September 2015 Vier funktionieren. Vier werden gar nicht angesteuert. Ie sind vom bonus... lichterleiste unten links Die funktinierenden laufen im game over modus als lauflicht ohne unterbrechung. wenn ich mir das im netz ansehe, muss da der komplette bonus hochglaufen werden. Und vier im oberen Spielfeld sind nach booten der cpu dauernd an. Alle vom aux angesteuert. Der große Lamp Driver funktioniert mit allen lampen einwandfrei.
Volley Geschrieben 12. September 2015 Geschrieben 12. September 2015 Der Kontakt am Stecker J1 Pin 3 ist definitiv OK? Dort kommt das Select Signal an! Den hast Du bis auf das MPU Board durchgemessen??? Falls da OK, zieh mal den Stecker J2 ab. Dann nimmst Du ein Stück Kabel und machst es irgendwo an Masse fest. Das andere Ende hälst Du dann mal an die Kontakte vom Stecker J2. Es müsste dann immer eine der Lampen leuchten. Tun sie das? Falls ja mach mal eine Tabelle: Stecker J2-Pin XX => Lampenbezeichnung => Im Spiel OK? (Ja, Nein Dauerlicht/Daueraus) Die Tabelle müsste dann 12 Einträge haben für die Pins 1,2,3,5,6,7,11,12,17,18,19 und 20
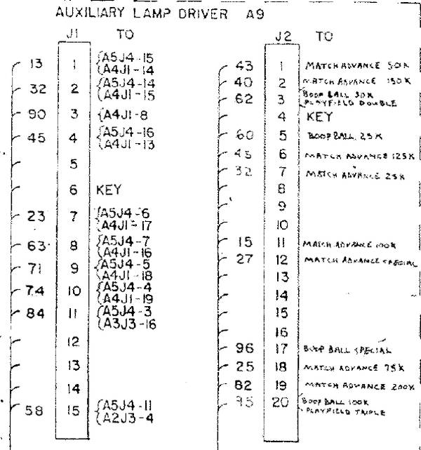
Capt. Fantastic Geschrieben 13. September 2015 Autor Geschrieben 13. September 2015 Hallo, A4 J1-8 nochmals überprüft. OK. Geht aber beim aux driver auf pin9. Genauso wie bei lamp driver. Ist ja ein Bell und mit dem selben Stecker durchgeschliffen. Oberes Spielfeld Zustand J2 Pin Special dauernd an 4 100K " 1 50K " 18 25K " 16 Unteres Spielfeld linke Lichtleiste Zustand Pin Special aus 9 200K " 2 150K " 19 125K " 15 100K Ok 10 75K Ok 3 50K Ok 20 25K Ok 14 Alle Lampen kann man mit GND über J2 (aux driver) ansteuern. Kann doch fast nur an den ICs auf dem aux driver liegen, oder? Die vorgänger mpu hat den genauso gesteuert, so das der Fehler da nicht liegen kann. Oder kann es noch am Game eprom liegen? Allerdings werden die lampen auch im lampentest so angesteuert.
Volley Geschrieben 13. September 2015 Geschrieben 13. September 2015 Hab auch mal ein bischen gegoogelt. Bell hat einige Lampen vom noralen Lampdriver "runter genommen" und dafür einen größeren Aux Treiber eingebaut.. Es gibt jetzt zwei Möglichkeiten: Entweder du verfolgst die Signale auf dem Treiberboard und wirst dann zu den ICs gelangen die die Treiber ansteuern. WENN die alle auf 1 oder 2 ICs zusammenlaufen ist die Chance das es an diesen ICs liegt hoch. Was mich allerdings stutzig macht ist das alles durchgeschliffen ist. Normalerweise macht man das nicht so weil man zumindest ein anderes Select-Signal zur Ansteuerung braucht. Aber leider habe ich keine Unterlagen zum nachsehen. Die zweite Möglichkeit wäre das Du mir mal das Aux Board schickst und ich sie in einen anderen Saturn 2 einbaue. Dann sieht man auch was Sache ist und ob der Fehler wirklich auf dem Board liegt oder nicht jemand in der Verkabelung rumgepfuscht hat. Werd mir am Donnerstag auf alle Fälle mal die Steckerbelegung ansehen...
Volley Geschrieben 14. September 2015 Geschrieben 14. September 2015 So, hab mir das Ganze mal angesehen: Der Stecker J4 vom großen Lampdriver wird im Saturn 2 auf den Aux-Lampdriver gesteckt. Von das geht ein Kabel direkt zurück zum großen Lampdriver auf den Stecker J4. Damit werden alle nötigen Steuersignale an beide Platinen gegeben. Da aber jede der Platinen individuell angesteuert werden muss, muss der Aux Driver eine eigene Select Leitung haben. Dies wurde durch ein neues Kabel gelöst welches beim Umbau eingebaut wurde! Dieses Kabel geht vom Aux-Lampdriver Stecker C1 Pin 9 (äußerer Stecker, 9 Pin von unten) zur MPU, Stecker J1 (oben links) Pin 8 (8. Pin von oben). Dies ist das Lamp-Strobe 2 Signal der MPU. Das selbe Signal nutzt der Spy Hunter auf Pin3 seines Aux-Boards. Da der Saturn 2 ein Umbausatz für alle älteren Ballyflipper ist musste diese Verkabelung so gewählt werden um die Signale zum Aux-Board zu bekommen. Beim Spy Hunter war alles schon so gebaut. Für dich bedeutet das das du nachsehen musst ob dieses Kabel vorhanden ist und ob die Crimpen OK sind. Wenn das der Fall ist, können fast nur noch die ICs defekt sein. Diese bekommst Du z.B. bei Reichelt. Der MC14555 heisst dort "MOS 4555" und kostet 0,31€ und der TC4013 heisst dort "MOS 4013" und kostet 0,32€.
Capt. Fantastic Geschrieben 16. September 2015 Autor Geschrieben 16. September 2015 Jetzt ist der Fehler auf der alten cpu auch behoben. War eine Etwas Leitfähige Sauce auf den Wiederständen der switch matrix. Konnte man aber mit dem Auge nicht erkennen. Wenn jemand mal wieder so einen Fehler hat..... Haste deinen Kumpel mal gefragt, Frank?
Capt. Fantastic Geschrieben 16. September 2015 Autor Geschrieben 16. September 2015 Deine Antwort gerade erst gesehen, Frank. Werde ich heute abend mal nachschauen, ob alles vorhanden. Es ist leider Schade das ich keine Pläne für die Kiste habe. Unterscheidet sich doch etwas vom spy hunter.
Capt. Fantastic Geschrieben 16. September 2015 Autor Geschrieben 16. September 2015 Kabel ist vorhanden und crimpen sind ok. Das Kabel war schon mal unterbrochen und wurde neu verbunden. wenn ich nun die Verbindung löse, funktionieren nur die ok lampen nicht mehr. die dauernd an bleiben auch an. kann ja jetzt wohl nur an den ICs liegen, obwohl die schon alle neu sind.
Volley Geschrieben 16. September 2015 Geschrieben 16. September 2015 Sind die ICs gesockelt? Falls ja sollten die Dauerlicht-Lampen ausgehen wenn du den Chip rausnimmst. Was du auch mal Checken kannst: Zieh mal den Ausgangsstecker am Aux-Treiber ab (das Kabel zu den Lampen). Dann sollten alle Dauerlicht-Lampen ausgehen. Tun sie das?
Empfohlene Beiträge
Erstelle ein Benutzerkonto oder melde Dich an, um zu kommentieren
Du musst ein Benutzerkonto haben, um einen Kommentar verfassen zu können
Benutzerkonto erstellen
Neues Benutzerkonto für unsere Community erstellen. Es ist einfach!
Neues Benutzerkonto erstellenAnmelden
Du hast bereits ein Benutzerkonto? Melde Dich hier an.
Jetzt anmelden