Zum Inhalt springen

Empfohlene Beiträge

Geschrieben

Hi liebe Gottlieb e-m freaks

folgend ein paar Auszüge des originalen Gottlieb Teilekatalog von 1970. Die pics stammen allesamt von französischem pinhead Francis, DER Grossmeister für Gottlieb e-m Pins der 70er Jahre

interessant, weil hier einige Organe aus den 60er Jahre Flipper gezeigt werden

post-25-1215262204.jpg

Geschrieben

Kompletter Aufbau drehender standup targets, wie beim Dancing Lady

post-25-1215262285.jpg

Geschrieben

das Rouletterad wie beim High Score :

post-25-1215262333.jpg

Geschrieben

Die echten 'decagon unit' Zähler. Warum die 'Echten'?

Weil eben 'decagon' für 10 Winkel steht und diese alte Zähler auch 10 Winkel hatten deren Zahlen vertikal hinter dem backglass standen. Später geht Gottlieb auf runde Zähler über welche aber weiter als 'decagon unit' geführt wurden...

soviel zur Historie rolleyes.gif

post-25-1215262551.jpg

Geschrieben

Explosive Zeichnung der decagon unit

post-25-1215262606.jpg

Geschrieben

die inflationäre 'Null', direkt ans Holz geschraubt

post-25-1215262664.jpg

Geschrieben

Das alte Kugelabschussmodell, als es den automatischen 'ball return' noch nicht gab

post-25-1215262753.jpg

Geschrieben

und hier das versteckte System zum manuellen Hochheben der Kugeln

post-25-1215262835.jpg

Geschrieben

Das alte Tiltmodell mit dem Clip zum Justieren

post-25-1215262911.jpg

Geschrieben

ball stop assembly 1

post-25-1215262971.jpg

Geschrieben

ball stop assembly 2

post-25-1215263014.jpg

Geschrieben

ball stop assembly 3 - switch

post-25-1215263046.jpg

Geschrieben

Holzschutzaufbau welches sich vor dem manuellem Kugellift befindet

post-25-1215263180.jpg

Geschrieben

swinging target und Teile

post-25-1215263231.jpg

Geschrieben

swinging target und Teile

post-25-1215263255.jpg

Geschrieben

swinging target und Teile

post-25-1215263279.jpg

Geschrieben

standup target Modell

post-25-1215263333.jpg

Geschrieben

Swinging target System, leider von gottlieb nicht mehr benutzt in den 70er

post-25-1215263415.jpg

Geschrieben

Unterbau für mehrere in Linie liegenden outholes

post-25-1215263494.jpg

Geschrieben

Das erste ball kicker system von Gottlieb:

post-25-1215263563.jpg

Geschrieben

komische Billardkugel

post-25-1215263705.jpg

Geschrieben

könnte eventuell vom Bank-a-Ball sein

post-25-1215263760.jpg

Geschrieben

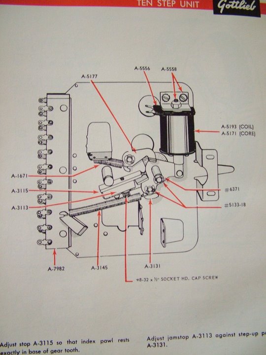
Ten steps unit....

post-25-1215263826.jpg

Geschrieben

... wohl für die Endziffer

post-25-1215263855.jpg

Erstelle ein Benutzerkonto oder melde Dich an, um zu kommentieren

Du musst ein Benutzerkonto haben, um einen Kommentar verfassen zu können

Benutzerkonto erstellen

Neues Benutzerkonto für unsere Community erstellen. Es ist einfach!

Neues Benutzerkonto erstellen

Anmelden

Du hast bereits ein Benutzerkonto? Melde Dich hier an.

Jetzt anmelden
×
×
  • Neu erstellen...

Wichtige Information

Datenschutzerklärung und Registrierungsbedingungen